葵花籽油是從葵花籽中提取的油類,也是一種重要的食用油?ㄗ逊质秤每陀陀陀每,簡稱油葵;
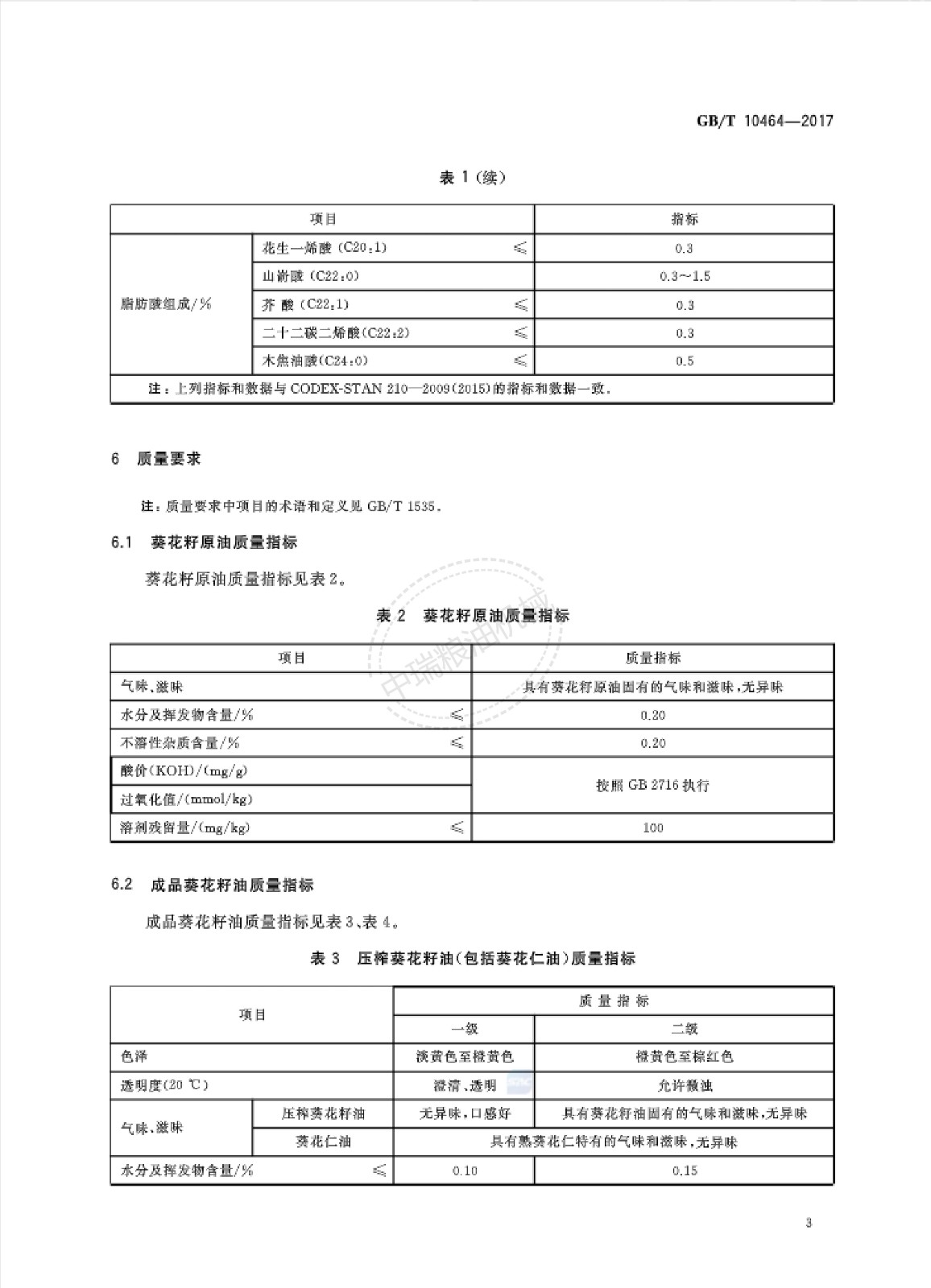
葵花子油顏色金黃、澄清透明、氣味清香,含有大量的亞油酸等人體必需的不飽和脂肪酸,可以促進人體細胞的再生和成長,保護皮膚健康,并能減少膽固醇在血液中的淤積,是一種高級營養(yǎng)油?ㄗ延蛧覙藴剩℅B/T 10464-2017)如下









全國咨詢熱線:13523710589 手機:13523710589(王經(jīng)理)
郵箱:920274846@qq.com 地址:河南省焦作市修武縣武源路


訪問手機端 微信客服